Applications of QUANTIFOIL® Holey Carbon Films

In electron microscopy, support foil with a high percentage of open area is used in order to minimize the total specimen thickness or to eliminate the object distortions arising from interactions with a support.

Thus, perforated foil is used to bear an ultra-thin carbon support foil or to directly support a large object, such as a powder particle, in the case of electron diffraction and energy loss spectroscopy, and electron spectroscopic and dark field imaging.

It is also used when small objects, such as biomacromolecular complexes, are studied in a free hanging layer of sustaining medium. This medium is vitreous ice in cryo-EM.


Preparation of vitrified specimens

Special measures may be necessary in order to obtain an optimally thin ice film that is of constant thickness over a hole. The distribution of the aqueous solution over a grid, that over a hole, and the thickness of film within a hole will depend on, among other factors, the surface properties of the foil, i.e. its wetting properties, and on the relative humidity of the environment after blotting and before freezing.

Untreated QUANTIFOIL® tends to be hydrophobic. The degree of hydrophilicity can be influenced by glow-discharging in residual air, at which parameters such as the duration of glow-discharging and the time elapsed before specimen preparation, can be varied. Some cryo-microscopist find the wetting properties of holey film best when it is metal-coated.

The relative humidity around the specimen can be influenced by a flow of humid air or with an environmental chamber. A relative humidity of 100% can be attained with the environmental chamber of the Vitrobot (Maastricht Instruments BV, The Netherlands). The Vitrobot is a fully PC-controlled device for vitrification of aqueous samples. The vitrification robot yields optimally thin ice films with a constant thickness over a hole and consequently with a homogeneous particle distribution.

Just as QUANTIFOIL® facilitates high throughput of image data by automated acquisition - see below -, the Vitrobot enables high throughput of samples.

 

Low-dose Electron Microscopy

QUANTIFOIL® greatly simplifies the carrying out of low-dose procedures. The location of the area(s) used for focussing, relative to the area that is recorded, need(s) to be set only once for a specimen.

 

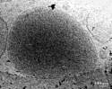
Vitrified specimen of tobacco mosaic virus (TMV) prepared using QUANTIFOIL® holey carbon film.



The burnt areas on the foil in the image were used for focussing before the image of the hole in between was recorded.

Reprinted with permission from Elsevier Science, Ultramicroscopy 74, 75-81, Ermantraut, Wohlfart, Tichelaar, Perforated support foils with pre-defined hole size, shape and arrangement (1998), copyright 1998


 

Automated image acquisition

QUANTIFOIL® allows image acquisition to be performed automatically.
The Imaging Technology Group of Dr. Bridget Carragher (then at the University of Illinois at Urabana-Champaign) has developed a system, called Leginon, for automatically acquiring images from a transmission electron microscope.

Courtesy of Dr. B. Carragher


 

The procedure includes

 

 

(1)

Acquisition of a low magnification image (left image, showing TMV embedded in vitreous ice suspended over 2 µm holes)

 

 

(2)

Automatic identification of holes containing ice of the suitable thickness (note the cross in the left image)

 

 

(3)

Acquisition of an intermediate magnification image of an identified hole (middle)

 

 

(4)

Identification of features of interest within the hole

 

 

(5)

Focussing at the magnification to be used for the picture

 

 

(6)

Acquisition of a high magnification image (right, showing microtubules in this case)

 

 
 
 

Cryo-electron tomographic reconstruction

A reconstruction of Neurospora mitochondria was carried out by Nicastro and collegues (Max-Planck-Institute for Biochemistry, Martinsried).

An electron micrograph of a zero-degree projection of a tilt series; the edge of the hole in QUANTIFOIL® is seen at the bottom.

 

 

A central x-y slice through the reconstructed volume.

 

 

A view of the reconstruction, showing that the crista membrane that forms a three-dimensional network of interconnected lamellae is constantly bound with the inner boundary membrane (both shown in yellow). The outer membrane (magenta) is separated from the inner one by a narrow band of remarkably constant width.

Courtesy of Dr. D. Typke

Reprinted with permission of Academic Press, J. Struct. Biol. 129,48-56, D. Nicastro et al., Cryo-electron tomography of Neurospora mitochondria (2000), copyright 2000

 

 

First application of cryo-EM to cement

At the F. A. Finger Institute for Building Materials Science (Bauhaus University Weimar), hitherto unknown structural properties of calcium silicate hydrate phases (C-S-H phases) were discovered by freezing freshly prepared EM specimens of cement and keeping in the frozen state during microscopy (Rößler et al., in preparation). The C-S-H phases account to the strength in ordinary Portland cement and concrete.

Frozen-hydrated specimens of C-S-H phases on QUANTIFOIL®:
(a) overview at low magnification, (b) tobermorite and (c) xonotlite.
Bars in (b) and (c): 500 nm

Courtesy of Ch. Rößler

 

 

 

 

Low-energy electron point source - LEEPS- microscopy

In low-energy electron point source microscopy a perforated foil with a regular pattern is required in order to be able to distinguish an object which is spanned over a hole. An object cannot be discriminated from the support in the case of conventional holey film. H.-W. Fink & C. Schönenberger (University of Basel) used QUANTIFOIL® for the measurement of electrical current through DNA molecules.

A schematic representation of a LEEPS microscope with a manipulation tip between specimen and detector.

 

 

A projection image of ropes of lambda DNA spanning a 2 µm hole.


Courtesy of Dr. H.-W. Fink

Reprinted with permission from Nature, Nature 398, 407-410, H.-W. Fink & C. Schönenberger, Electrical conduction through DNA molecules (1999), copyright 1999 Macmillan Magazines Ltd.

 

 

 

Literature

Carragher B, Kisseberth N, Kriegman D, et al.
Leginon: An automated system for acquisition of images from vitreous ice specimens
J STRUCT BIOL 132 (1): 33-45 OCT 2000

Ermantraut E, Wohlfart K, Tichelaar W
Perforated support foils with pre-defined hole size, shape and arrangement
ULTRAMICROSCOPY 74: 75-81 1998

Fink H-W, Schönenberger C
Electrical conduction through DNA molecules
NATURE 398: 407-410 1999

Gao H, Spahn CMT, Grassucci RA, Frank J
An assay for local quality in cryo-electron micrographs of single particles
ULTRAMICROSCOPY 93: 169-178 2002

Glaeser RM
Electron crystallography: Present excitement, a nod to the past,
anticipating the future
J STRUCT BIOL 128 (1): 3-14 DEC 1 1999

Ledoux G, Amans D, Gong J, et al.
Nanostructured films composed of silicon nanocrystals
MAT SCI ENG C 19: 215-218 2002

Nicastro D, Frangakis AS, Typke D, et al.
Cryo-electron tomography of Neurosporamitochondria
J STRUCT BIOL 129 (1): 48-56 FEB 2000

Pulokas J, Green C, Kisseberth N, et al.
Improving the positional accuracy of the goniometer on the Philips CM series TEM
J STRUCT BIOL 128 (3): 250-256 DEC 30 1999

Reviakinc I, Bergsma-Schutter W, Morozov AN, et al.
Two-dimensional crystallization of annexin A5 on phospholipid bilayers and monolayers: A solid-solid phase transition between crystal forms
LANGMUIR 17 (5): 1680-1686 MAR 6 2001

Rouiller I, DeLaBarre B, May AP et al.
Conformational changes of the multifunction p97 AAA ATPase during its ATPase cycle
NATURE STRUCT BIOL 9 (12): 950-957 DEC 2002

Tao Y, Zhang W
Recent developments in cryo-electronmicroscopy reconstruction of single particles
CURR OPIN STRUC BIOL 10 (5): 616-622 OCT 2000

Unger VM
Electron cryomicroscopy methods
CURR OPIN STRUC BIOL 11 (5): 548-554 OCT 2001

van Heel M, Gowen B, Matadeen R, et al.
Single-particle electron cryo-microscopy: towards atomic resolution
QUARTERLY REVIEWS OF BIOPHYSICS 33 (4): 307-369 OCT 2000

Volkmann N, Amann KJ, Stoilova-McPhie S, et al.
Structure of Arp2/3 Complex in Its Activated State and in Actin Filament Branch Junctions
SCIENCE 293: 2456-2459 SEP 2001

Weierstall U, Spence JCH, Stevens M, et al.
Point-projection electron imaging of tobacco mosaic virus at 40 eV electron energy
MICRON 30 (4): 335-338 AUG 1999